GZ系列電磁振動給料機
添加時間:2019-03-23 09:31:36 瀏覽量:4657

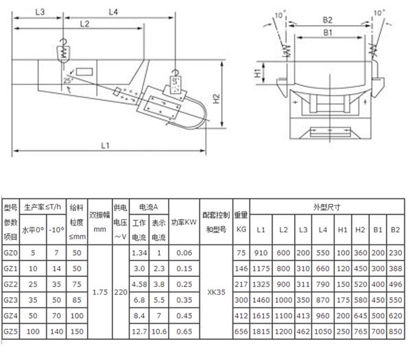
產品概述:
GZ系列電磁振動給料機把塊狀、顆粒狀及粉狀物料,從貯料倉或漏斗中均勻連續或定量的給到受料裝置中,可無級調節給料量,并實現生產流程的集中控制和自動控制。其體積小、重量輕、安裝方便、無轉動部件、不需潤滑、維修方便、工作頻率高、消耗電能少。廣泛應用于礦山、冶金、煤炭、輕工、化工、電力、機械、食品等行業。

上一篇:GZF密封型電磁振動給料機
下一篇:最后一篇

服務熱線:


產品概述:
GZ系列電磁振動給料機把塊狀、顆粒狀及粉狀物料,從貯料倉或漏斗中均勻連續或定量的給到受料裝置中,可無級調節給料量,并實現生產流程的集中控制和自動控制。其體積小、重量輕、安裝方便、無轉動部件、不需潤滑、維修方便、工作頻率高、消耗電能少。廣泛應用于礦山、冶金、煤炭、輕工、化工、電力、機械、食品等行業。
